
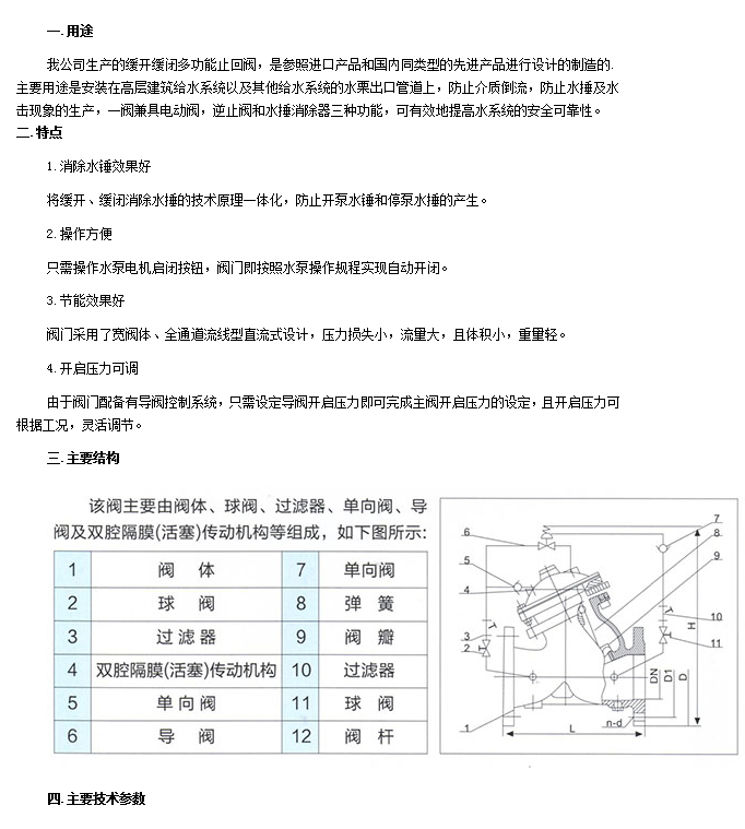
埃美柯緩開快閉止回閥概述:
緩(huan)開快閉止回閥采用(yong)雙室(shi)驅動(dong)裝置(zhi),Y型(xing)結構。介質(zhi)在定(ding)向(xiang)運動(dong)中具有(you)半直線水流(liu),過(guo)流(liu)量大,壓力損失小,啟閉運行平穩(wen)、不產生壓力波(bo)動(dong)等優點。雙室(shi)驅動(dong)裝置(zhi)可作為一個(ge)整體拆(chai)卸,便于檢查,膜片(pian)采用(yong)尼龍強(qiang)化橡膠制成(cheng),合用(yong)壽命長,閥瓣密封件可拆(chai)卸,維修(xiu)更(geng)方便。
DY30BX緩(huan)開(kai)快(kuai)閉(bi)止(zhi)回(hui)閥(fa)(fa)它(ta)包括閥(fa)(fa)體內(nei)設閥(fa)(fa)座、閥(fa)(fa)桿、以及(ji)與(yu)閥(fa)(fa)體連(lian)接(jie)的上閥(fa)(fa)蓋(gai)(gai)與(yu)下閥(fa)(fa)蓋(gai)(gai)等(deng)零件組成(cheng)。上閥(fa)(fa)蓋(gai)(gai)與(yu)下閥(fa)(fa)蓋(gai)(gai)之間為隔膜(mo)腔(qiang),隔膜(mo)腔(qiang)內(nei)設隔膜(mo),隔膜(mo)與(yu)中(zhong)心軸連(lian)接(jie),中(zhong)心軸另一端連(lian)接(jie)閥(fa)(fa)門,閥(fa)(fa)門與(yu)閥(fa)(fa)座接(jie)觸。水(shui)(shui)(shui)容器(qi)與(yu)上閥(fa)(fa)蓋(gai)(gai)進水(shui)(shui)(shui)、出(chu)水(shui)(shui)(shui)控制(zhi)孔(kong)連(lian)通(tong),水(shui)(shui)(shui)容器(qi)與(yu)上閥(fa)(fa)蓋(gai)(gai)出(chu)水(shui)(shui)(shui)為節流(liu)連(lian)通(tong),水(shui)(shui)(shui)容器(qi)與(yu)上閥(fa)(fa)蓋(gai)(gai)進水(shui)(shui)(shui)為單向連(lian)通(tong)。該閥(fa)(fa)緩(huan)慢開(kai)啟(qi),防止(zhi)電流(liu)沖(chong)擊(ji)及(ji)網中(zhong)壓力沖(chong)擊(ji);快(kuai)速(su)關閉(bi),防止(zhi)水(shui)(shui)(shui)錘產生(sheng)。無水(shui)(shui)(shui)質(zhi)要(yao)求,可用于污水(shui)(shui)(shui)、清水(shui)(shui)(shui)及(ji)原水(shui)(shui)(shui)系統。
埃美柯緩開快閉止回閥性能參數:
公稱(cheng)通徑:DN40-DN800
公稱壓力:1.6Mpa-2.5Mpa
適(shi)用溫度:-10℃~80℃
適用介質:水(shui)、油、性質接近水(shui)的液體(ti)
閥(fa)體材質:鑄鐵、鑄鋼、碳鋼、不銹鋼
連接方式:法蘭連接
連接尺寸:GB/T17241.6
埃美柯緩開快閉止回閥結構圖:

| 如果你對 埃美柯緩開快閉止回閥感興趣,想了解更詳細的產品信息,填寫下表直接與廠家聯系: |