
埃美柯黃銅旋塞閥概述:
黃(huang)銅旋塞(sai)(sai)閥(fa)是關(guan)閉件或柱塞(sai)(sai)形(xing)的(de)(de)旋轉閥(fa),通(tong)(tong)(tong)(tong)過旋轉90度使閥(fa)塞(sai)(sai)上的(de)(de)通(tong)(tong)(tong)(tong)道(dao)口(kou)與閥(fa)體上的(de)(de)通(tong)(tong)(tong)(tong)道(dao)口(kou)相通(tong)(tong)(tong)(tong)或分(fen)開(kai)(kai),實(shi)現開(kai)(kai)啟或關(guan)閉的(de)(de)一(yi)種閥(fa)門。它的(de)(de)閥(fa)塞(sai)(sai)的(de)(de)形(xing)狀可成(cheng)圓柱形(xing)或圓錐(zhui)形(xing)。在圓柱形(xing)閥(fa)塞(sai)(sai)中,通(tong)(tong)(tong)(tong)道(dao)一(yi)般成(cheng)矩形(xing);而在錐(zhui)形(xing)閥(fa)塞(sai)(sai)中,通(tong)(tong)(tong)(tong)道(dao)成(cheng)梯形(xing)。這些(xie)形(xing)狀使旋塞(sai)(sai)閥(fa)的(de)(de)結構變得輕巧。zui適于作為切斷和接(jie)通(tong)(tong)(tong)(tong)介質(zhi)以及分(fen)流(liu)適用(yong)(yong),但是依(yi)據適用(yong)(yong)的(de)(de)性(xing)(xing)質(zhi)和密封面的(de)(de)耐(nai)沖蝕性(xing)(xing),有時也可用(yong)(yong)于節(jie)流(liu)。
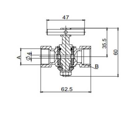
埃(ai)美柯(ke)黃銅旋(xuan)塞閥結構圖(tu):

埃美(mei)柯黃銅旋塞閥參(can)數圖:

| 如果你對 埃美柯黃銅旋塞閥851/852A感興趣,想了解更詳細的產品信息,填寫下表直接與廠家聯系: |